|
Image Sensor |
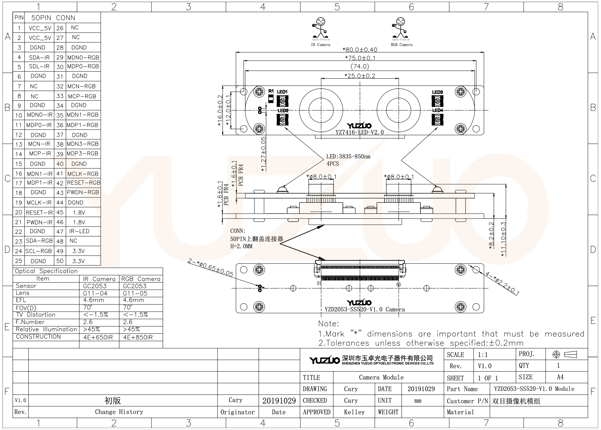
1/2.9” GC2053 |
|
Active array size |
1920*1080 |
|
Pixel size |
2.8um*2.8um |
|
Output formats |
Raw Bayer 10bit/8bit |
|
Max S/N ratio |
39dB |
|
Dynamic range |
68Db @8*gain |
|
Maximum image transfer rate |
30fps full resolutionSIZE |
|
sensitivity |
2.066 V/Lux-sex |
|
Input clock frequency |
6~27 MHz |
|
Power Supply |
AVDD:2.7~3.3V DVDD:1.15~1.3V IOVDD:1.7~3.0V |
|
Operating temperature |
-20~70 ℃ |
|
Storage temperature(℃) |
0~60 ℃ |
|
Digital interface |
50PIN MIPI (ZIF 0.5mm) |
|
FOV(D) |
70° |
|
IR Filter |
650IR for Color Camera 850IR for W/B Camera |
|
LED |
4PCS 3535 850nm |
|
Dimension |
See drawings |
|
Customizing |
Yes |












